時間:2018-11-15 09:50:29 品牌: 海灣
![[!--oldtitle--]](/d/file/baojingshebei/2018-11-15/6947c42580aba3b70586ef7bce8f91c4.jpg)
一、JB-KR-GST004可燃氣體報(bào)警控制器産(chǎn)品概述
JB-KR-GST004可燃氣體報(bào)警控制器爲壁挂式,用於(yú)配接GST-BF003I點型可燃氣體探測器或4~20mA電流輸出的探測器,構成可燃氣體監測報(bào)警系統,能顯示現場可燃氣體的濃度(%LEL),有可燃氣體濃度超限報(bào)警、報(bào)警時閉合輸出觸點等功能)等行業的廠房、車間、庫房以及實驗室等多種場所監測可燃性氣體或蒸汽的濃度,避免各種災害性事故的發生。
二、JB-KR-GST004可燃氣體報(bào)警控制器基本參(cān)數
| 型号 | JB-KR-GST004 |
| 工作電壓 | 交流220V,直流12V/4Ah密封鉛電池(2節),用於控制器備電 |
| 功率 | ≤20W |
| 輸入信号 | 4mA~20mA |
| 測量範圍 | 0%LEL~100%LEL |
| 測量精度 | ±5%LEL |
| 響應時間 | 一級報警≤30秒,二級報警<50秒 |
| 報警濃度 | 兩級報警,一級報警濃度1%LEL~25%LEL,二級報警濃度爲50%LEL |
| 信号輸出 | 兩個繼電器觸點輸出(容量≤5A),對應一、二級報警 |
| 工作環境 | 溫度:0℃~+40℃ 相對濕度≤95%,不凝露 |
| 外形尺寸 | 387mm×450mm×132.5mm |
| 殼體材料和顔色 | Q235A,深灰色 |
| 重量 | 約4.2kg |
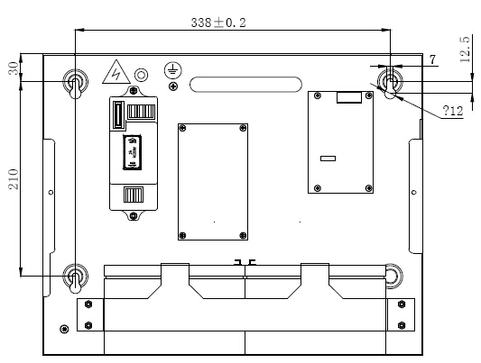
| 安裝孔距 | 機箱後背闆上有三個壁挂安裝孔,上面兩個間距230mm,下面一個位於機箱垂直中心線上且與上部兩個安裝孔垂直距離爲300mm |
| 執行标準 | GB16808-1997 |
| 防護等級 | IP30 |
三、JB-KR-GST004可燃氣(qì)體報(bào)警控制器注意事項
●控制模塊進行調零、标定操作時,請確認控制模塊所連接的探測器所處環境符合要求。
●調零操作在系統調試時必須進行,否則可能出現控制模塊報故障情況。
●調零、标定應至少一年進行一次,以保證設備的正常運行。
●JB-KR-GST004控制器爲非防爆産品,請在安全區使用。
四、JB-KR-GST004可燃氣體報(bào)警控制器結構(gòu)特征與安裝圖示
控制器外形結構示意圖如圖1-所示。控制器採(cǎi)用壁挂式安裝,用3個(gè)M6的膨脹螺栓将其固定在牢固的牆壁上,安裝尺寸示意圖如圖2。

圖1 JB-KR-GST004外形結(jié)構(gòu)示意圖

圖2 JB-KR-GST004可燃氣(qì)體報(bào)警控制器安裝圖示